Dampfdruckregler ?
-
-
Hallo Hans
Es ist nur ein Gasdruckregelventil, welches unter guten Bedingungen den Kesseldruck einschränkt und ein häufiges abblasen des Überdruckventils vermindert!
Dampfdruckregelventil ist wohl die Falsche bezeichung, da es den Gasdruck regelt.
Funktioniert aber in unseren Loks nur bedingt!Gruß
Roland -
Roland,
so verstehe ich das nun gar nicht. Nach meiner Meinung regelt es die Gasmenge in Abhängigkeit des Kesseldrucks. Das wiederum würde die Heizleistung des Brenners beeinflussen. Dadurch würde der Kessel weniger oder gar nicht abblasen. Das wäre der Vorteil und wäre gewünscht.
Hans
-
Hallo
Und was machst Du wenn dein Gastank wärmer wird??
Gruß
Roland -
... dann doch einen Regler mit Druckminderstufe kaufen, z.B. http://www.dampfmodellbau-keifler.de/w17.html
Viele Grüße, Stefan
-
Roland,
er regelt trotzdem. Der Gasdruck darf den Dampfdruck nicht beeinflussen. Das ist Sache der Konstruktion. Deshalb fragte ich. Im Modellschiff hatte ich einen pneumat. Regler von MECMANN. Der funktionierte genau so. Leider nicht mehr erhältlich.
Hans
-
Hans,
du schreibst es: Nach meiner Meinung regelt es die Gasmenge in Abhängigkeit des Kesseldrucks. Das wiederum würde die Heizleistung des Brenners beeinflussen. Dadurch würde der Kessel weniger oder gar nicht abblasen.
Ich habe so ein Gasregelventil von Vilesco auf meiner Fantasielok eingebaut. Es funktioniert nur bedingt, denn es regelt den einstellbaren Gasdurchfluss bei steigendem Kesseldruck bis zum Verlöschen des Brenners, wenn man die Lok länger stehen lässt.
Gruss Christoph
-
Christoph,
eben das meinte ich, die Lok einfach stehen lassen können und die Flamme auf Minimum. Dann wegfahren und die Heizung ist wieder da. Das ist der Komfort den ich suche.
Hans
-
Zitat von damoba
Hallo Hans
Dieser hier sieht ähnlich aus. Lieferannt und Preis findest Du auf der verlinkten Seite.
Vom gleichen Händler gibt es ein kleineres Modell.Auch von Hielscher gab es mal was ähnliches, ich hatte es versuchsweise in das Modell "Konrad" von Regner eingebaut, das Ergebnis war nicht zufriedenstellend. Das Produkt von Hielscher gibt es seit einiger Zeit nicht mehr.
-
Hallo!
Mit Hilscher wollte ich schon in die Richtung beginnen etwas zu versuchen, doch es fehlte mir die Zeit.
Genau den Komfort, wie Hans schreibt hätte ich auch gerne. Besonders wenn ich eine Regelspurlok zu Verschubarbeiten einsätze würde das eine gute Überwachung sein.Bitte schreibt weiter über eure Erfahrungen
VG Heinz -
Hallo Hans!
Bei keiner meiner Lok´s konnte ich den Gasbrenner soweit runterregeln, das er nur die Wärme hielt, also nicht abblasen und ausgehen. Da bin ich dazu übergegangen den Brenner ab bei mittleren Pausen abzustellen und danch wieder zu zünden. Da eh noch warm, ist der Betriebsdruck schnell wieder hergestellt.
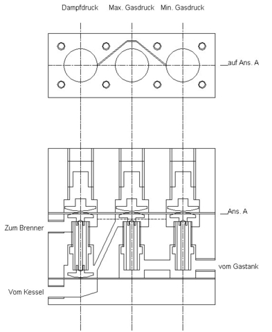
Für einen Dampfschlepper und ein Kraftwerk habe ich mir diesen Regler gebaut (hier im Kraftwerk beim Einsatz in Klein Vollbüttel). Ist aus einem bekannten Vorschlag mit Autoreifenventilen entstanden, dem ich noch ein Minimal-Druckminderer hinzugefügt habe.
Die Reifenventile sind nur angedeutet und die Federn oben nicht eingezeichnet. Von oben werden die Ventile mit Federdruck (einstellbar) geöffnet und mit Gas- oder Dampfdruck von unten geschlossen. So sind 2 Druckminderer für max und min Gasdruck und die dampfdruckabhängige Regelung vorhanden. Während der Maximaldruck vom Dampf abgestellt werden kann, sichert der Minimaldruck (Kanal am Maximalregler vorbei) die Flamme. Mit dem Regler bin ich sehr zufrieden, außer für unsere Lok´s leider zu groß. Problem ist nur die Suche nach geeigneten Membranmaterial. Ein freundliches Mitglied eines anderen Forums hat mir ein Stück NBR mit Polamideinlage hierfür überlassen.
Den Regler von Hielscher habe ich in einem Dampfschiff eingebaut. Mußte noch ein Bypassventil dazubauen, da der Regler den Brenner sonst abstellt. Sonst ist er schön klein.
Gruß Gerd -
Hallo Hans,
ich habe diesen Regler mal in einer stationären Dampfmaschine verwendet. Das Teil macht einen wertigen Eindruck und der Brenner wird über den Kesseldruck auch gut geregelt. Aber zum einen ist der Regler ziemlich groß, der Chinese der ihn im Link präsentiert muss ziemliche Pranken haben (vielleicht ist das bei 64mm Spur ja kein Problem). Zum anderen, wenn der Brenner durch steigenden Kesseldruck bis zur Pilotflamme herunter geregelt wird ist das System stark abhängig vom Gasdruck. Ist dieser durch Erwärmung gestiegen steigt die Brennerleistung und der Kessel pfeift trotzdem ab. Dieser Regler ist nur sinnvoll mit dem Druckminderer z.B. vom selben Anbieter.
Mich würde nur interessieren ob solch eine Reglung in einer Lok überhaupt sinnvoll ist? Die Heizleistung steigt ja erst wieder wenn der Druck bereits abfällt, ist es dann nicht bereits zu spät? Bei z.B. einem Schiff merkt man das nicht, kommt die Schraube halt langsamer in Schwung aber eine Lok an einer Steigung???
Viele Grüße
Christian -
Christian,
ich glaube das Thema ist erledigt. Es scheint nicht das zu sein das ich suche. Für eine Lok müsste die Hysterese sehr klein sein um nicht mit leerem Kessel vor der Steigung zu stehen.
Hans
-
Hallo optionale Gasomatikfahrer,
warum denkt hier keiner daran, das Regner RC Gasregelventil mit der RC Telemetriesteuerung von Riverdale zu kombineren. Der schließt und öffnet das Ofentürl temperaturabhängig, per Servo, um einen dynamischen definierten Kohlenabbrand zu unterstützen. ( http://www.riverdale-loco.com/ )> Telemetrie
Wäre einen Versuch wert, damit den Regner Gas-Hahn damit anzusteuern??
Das käme deinem Anforderungsprofil glaube ich näher, als die rein mechanischen Lösungen.
Ich weiß natürlich nicht, inwieweit das auf eine Gasfeuerung übertragbar ist??Mir erschließt sich nur die Notwendigkeit einer solchen Tuningmaßnahme nicht wirklich. :GR
Ich fahre meine Loks eigentlich immer nach entsprechend gemachten und in grauen Zellen abgespeicherten Erfahrungswerten mit dem manuellen Gashahn und natürlich dynamisch mit Dampf+Umsteuerregler.
Dazu benötigt man nur einen entsprechend optisch gekennzeichneten Gashahn, um die Öffnung mit einem Blick prüfen zu können, neben dem sowieso anzeigenden Manometer. :BT
Wenn das ÜD Ventil dann wirklich einmal abbläst, dann sehe ich es als Funktionstest, es gelingt mir aber meist ein Turn ohne diese Prüfung vornehmen zu können.
Meine Bahn ist allerdings fast eben nur in den Kurven (R=76cm) braucht es kurz etwas Dampf in die Zylinder.handgasende Grüße :flt:
Fritz
-
Moin Hans,
Moin Fritz,bei der Brennerreglung braucht es eigentlich immer eine zweistufige Anordnung. Egal ob RC-Gashahn oder Dampfdruckregler. Ohne den Gasdruck konstant zu halten funktioniert es nicht hinreichend. Ausserdem muss der Brenner in einem weiten Bereich funktionieren.
Im Buntbahn Forum wurde eine rein mechanische und sehr kompakte Version mehrfach gebaut und funktioniert zufriedenstellend.
Meine Anordnung aus Druckregler und RC-Gashahn funktioniert auch, mit meiner Jeti Fernsteuerung geht es auch in einem Automatkbetrieb. Möchte aber eigentlich die Heizerfunktion nicht abgeben.Grüße aus Budapest
Georg -
Zitat von f.schulz
Mir erschließt sich nur die Notwendigkeit einer solchen Tuningmaßnahme nicht wirklich. :GR
Mir auch nicht. Gewünscht wäre eine automatisierte Gasfeuerung wenn ich das richtig verstanden habe? Kann ja sein das ich darauf verzichte weil fast alle meine Modelle über eine gut regelbare Gasfeuerung verfügen. Ich möchte nicht darauf verzichten an meinen Modellen zu hantieren, das gehört für mich zum "spielen" dazu.
Eine rein mechanische Regelung der Feuerung in abhängigkeit vom Kesseldruck ist dennoch technisch interessant.